إشارة مرور متنقلة متكاملة تعمل بالطاقة الشمسية
اقرأ المزيد
مقدمة عن المنتج:
نظام إشارات المرور المتكامل من فاما هو محطة حديثة لإدارة حركة المرور تجمع بين عرض الإشارات والتحكم الذكي. بفضل تصميمه المتكامل، يوفر حلولاً فعالة وآمنة وموفرة للطاقة لتقاطعات المرور الصغيرة في المدن، مما يبسط مرافق التقاطعات ويعزز كفاءة الإدارة. وهو مناسب لتقاطعات التحكم بإشارات المرور الصغيرة.
| نموذج المنتج | YTRX300-3-FM2P3031 |
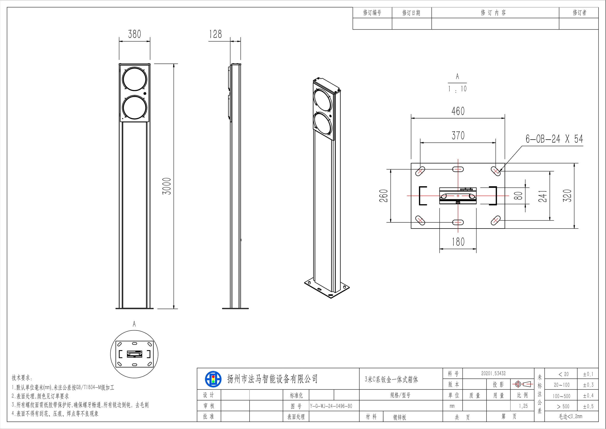
الأبعاد الكلية | 380 × 128 × 3000 مم |
| المعيار التنفيذي | GB/14887-2011 |
| حجم السطح الباعث للضوء (LES) | 300 مم |
| مواد بناء التغليف | صفائح مجلفنة |
| حجم واقيات الشمس | 754.9 × 220 × 0.6 مم |
| جهد التشغيل / التردد | التيار المتردد: 85~264 فولت / 47-63 هرتز |
| عدد مصابيح LED | إشارة مرور حمراء ثابتة للمشاة: 80 قطعة إشارة مرور خضراء ديناميكية للمشاة: 117 قطعة |
| استهلاك الطاقة للمصباح | أقل من 30 واط |
| طول موجة LED | الأحمر: 625 ± 5 نانومتر، الأخضر: 505 ± 5 نانومتر |
شدة الإضاءة | 5000~15000 شمعة/م² |
| مقاومة العزل | >20 ميجا أوم |
| عمر مصابيح LED | ≥100,000 ساعة |
| درجة حرارة التشغيل | من -40 درجة مئوية إلى +80 درجة مئوية |
| الرطوبة النسبية | ≤95% رطوبة نسبية |
| درجة الحماية | IP55 |
| المسافة البصرية | ≥300 متر |
