مقدمة عن المنتج:
إشارة المرور الهوائية عالية التدفق عبارة عن وحدة ثلاثية الأجزاء. يتكون قلب المصباح من مصادر ضوئية كبيرة الحجم، ونظام عدسات بصرية ثلاثي الطبقات، ووحدات طاقة، وغطاء للمصباح، ومكونات خارجية لتبديد الحرارة. تعمل الآلية البصرية من خلال معالجة بصرية ثلاثية الطبقات لتعزيز كفاءة الإضاءة، ونشر الضوء المنبعث من مصدر الضوء، وإعادة تركيزه، مما ينتج عنه إضاءة سطحية موحدة. وهي مناسبة للتقاطعات التي يتم التحكم فيها بإشارات المرور والمخصصة لمسارات الدراجات.
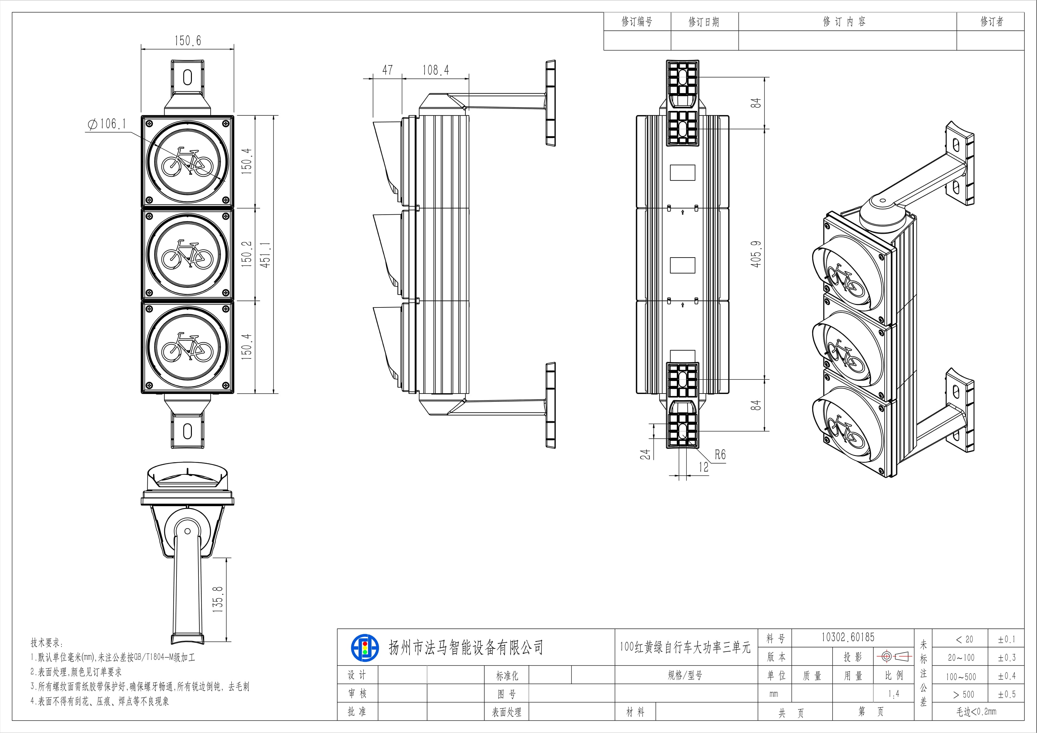
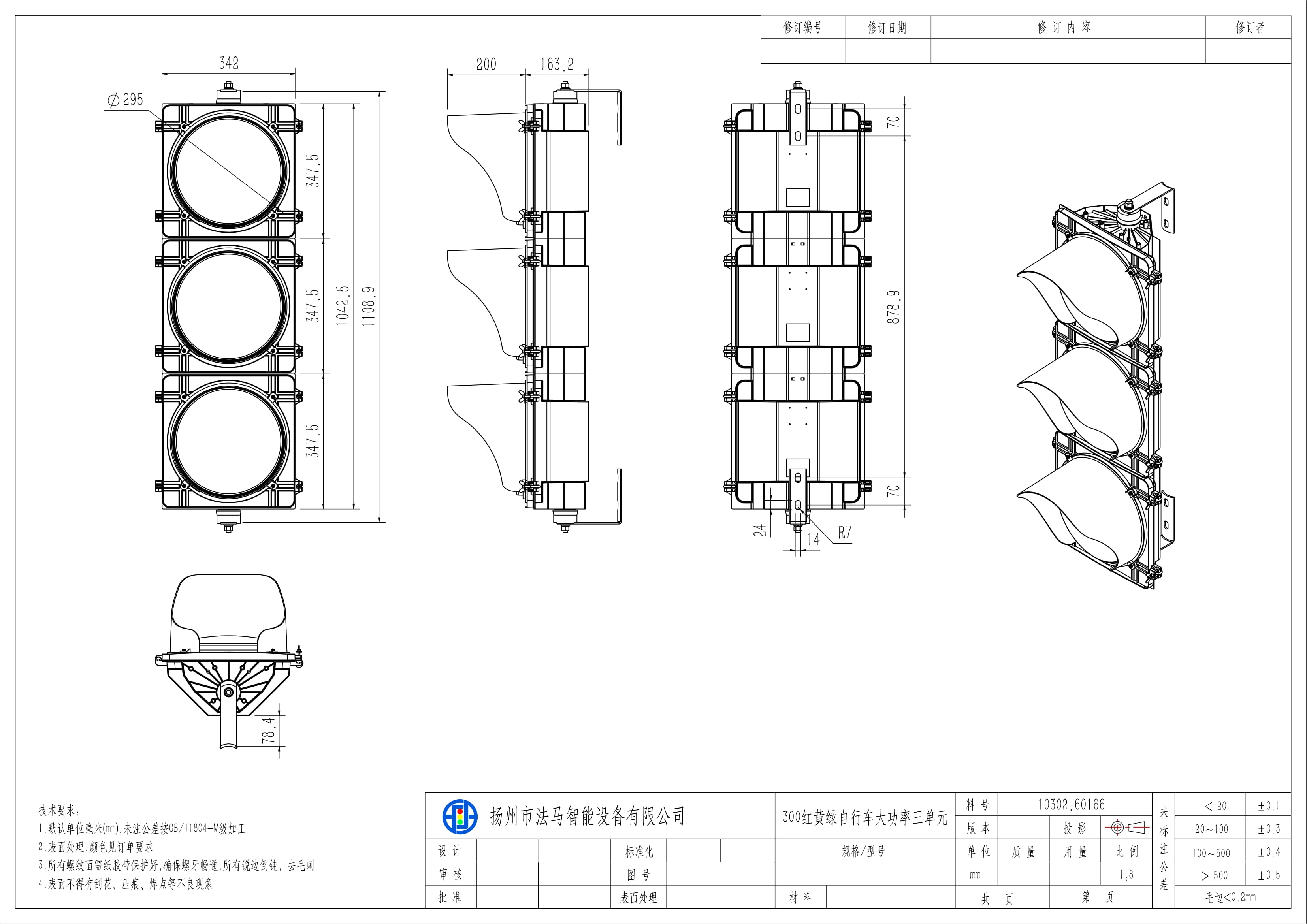
| نموذج المنتج | FJ100-3-FM35 | FJ200-3-FM35 | FJ300-3-FM35 |
| حجم السطح الباعث للضوء (LES) | 100 | 200 | 300 |
| مواد بناء التغليف | هيكل من الألومنيوم/ غلاف من البولي كربونات | غلاف من البولي كربونات | غلاف من البولي كربونات |
| لون القناع | شفاف | ملون | ملون |
| واقيات الشمس | φ129.5x47mm | φ208x175mm | φ293x200mm |
| شكل المحاكاة العددية للدوامات الكبيرة | دائري | دائري | دائري |
| جهد التشغيل/التردد | التيار المتردد: 85~264 فولت / 47-63 هرتز | التيار المتردد: 85~264 فولت / 47-63 هرتز | التيار المتردد: 85~264 فولت / 47-63 هرتز |
| عدد مصابيح LED | أحمر/أصفر/أخضر: قطعة واحدة | أحمر/أصفر/أخضر: قطعتان | أحمر/أصفر/أخضر: 4 قطع |
| طول موجة LED | الأحمر: 625 ± 5 نانومتر الأصفر: 590 ± 5 نانومتر اللون الأخضر: 505 ± 5 نانومتر | الأحمر: 625 ± 5 نانومتر الأصفر: 590 ± 5 نانومتر اللون الأخضر: 505 ± 5 نانومتر | الأحمر: 625 ± 5 نانومتر الأصفر: 590 ± 5 نانومتر اللون الأخضر: 505 ± 5 نانومتر |
| عمر مصابيح LED | ≥100,000 ساعة | ≥100,000 ساعة | ≥100,000 ساعة |
| درجة حرارة التشغيل | من -40 درجة مئوية إلى +80 درجة مئوية | من -40 درجة مئوية إلى +80 درجة مئوية | من -40 درجة مئوية إلى +80 درجة مئوية |
| الرطوبة النسبية | ≤97% رطوبة نسبية | ≤97% رطوبة نسبية | ≤97% رطوبة نسبية |
| استهلاك الطاقة للمصباح | دراجة حمراء ≤ 3.2 واط دراجة صفراء ≤ 3.2 واط دراجة هوائية خضراء ≤ 3.2 واط | دراجة حمراء ≤ 6.3 واط دراجة صفراء ≤ 6.3 واط دراجة هوائية خضراء ≤ 5.5 واط | دراجة حمراء ≤ 10 واط دراجة صفراء ≤ 13 واط دراجة هوائية خضراء ≤ 13 واط |
| درجة الحماية | IP65 | IP65 | IP65 |
| المسافة البصرية | ≥300 متر | ≥300 متر | ≥300 متر |
| مواصفات التغليف | قطعة واحدة في كل علبة، الحجم: 65 × 22 × 26 سم، الوزن: 3.1 ± 0.5 كجم | قطعة واحدة في كل علبة، الحجم: 96.5 × 35.5 × 27 سم، الوزن: 5.75 ± 0.5 كجم | قطعة واحدة في كل علبة، الحجم: 120 × 40.8 × 28.8 سم، الوزن: 12.5 ± 0.5 كجم |


